The operator of the enigma machine is supplied with a key sheet
which specifies the Wheel Order, Ringstellung, and Stecker Board
arrangement to be used each day. The key sheet reads horizontally
each day and from bottom to top for successive days of the month.
When the data for a day has been used, it is cut off and destroyed,
so that in case of capture the data for previous days messages will
not be available to the enemy. From the information Wheel Order it is
determined what 3 of the 5 available wheels shall be used for the day
in question and in what order they shall be inserted in the machine.
The enemy army and air force use 3 out of 5 wheels, whereas the navy
uses 4 out of 8 wheels. The data Ringstellung tells the operator at
what point to set the tire or Ringstellung on the wheel. This tire is
moveable when a catch is disengaged and may be set in any one of 26
positions. The rim of the tire is engraved with the numerals Ol to
26. The Stecker Board information on the key sheet tells the operator
what letters are to be patched together. Certain letters are left
unpatched in which case they are referred to as "self steckered"
meaning that the elements of the twin jack are connected together by
a short circuiting bar within the jack; The number of "self-
steckered" letters usually does not exceed 6.
OPERATION OF THE ENIGMA MACHINE.
The operator presses a clear text key and reads the code letter
from the lighted lamp for the encoding procedure, and vice versa for
decoding.
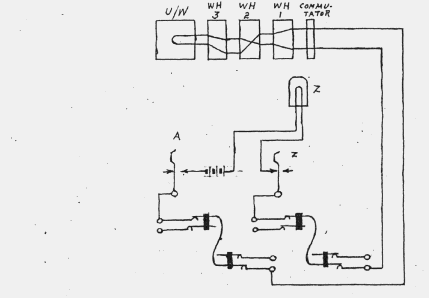
The circuit operation of the machine is quite simple. When a
key is depressed a mechanical linkage advances one or more wheels
before any electrical circuits are closed. The number of wheels
advanced depends on the position of an indentation on the tire of
each wheel. To advance the second wheel the driving pawl must be able
to drop into the indentation of the first wheel. Similarly for the
third wheel. When the key is still further depressed an electrical
circuit is closed as shown.
Fig 3. Enigma Machine Circuit.
"A" lamp cannot be lighted from the "A" key, etc., due to the
breaking of the lamp circuit by the depression of key "A".